

Le récepteur intègre le bloc changement de fréquences: HA64.







Documents trouvés sur le très bon forum:
https://www.doctsf.com/index.php





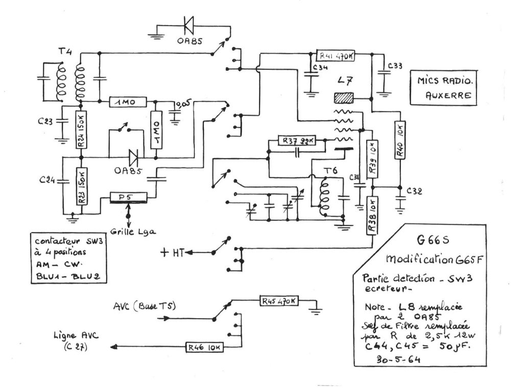
Vérifications, remplacement du fil de la sortie antenne par un petit coaxial, il y a quelques « améliorations » qui ont été implémentées, voir ci-dessus. il restera à mettre un relais 24V pour couper la HT durant l’émission, commandé par l’ART13 par exemple.
Tests sur le QSO sur 3600KHz
F1APJ
F4CEQ
F5MHR
F6END
F6FXX
F6HSB
F6IPQ
